- 產品介紹
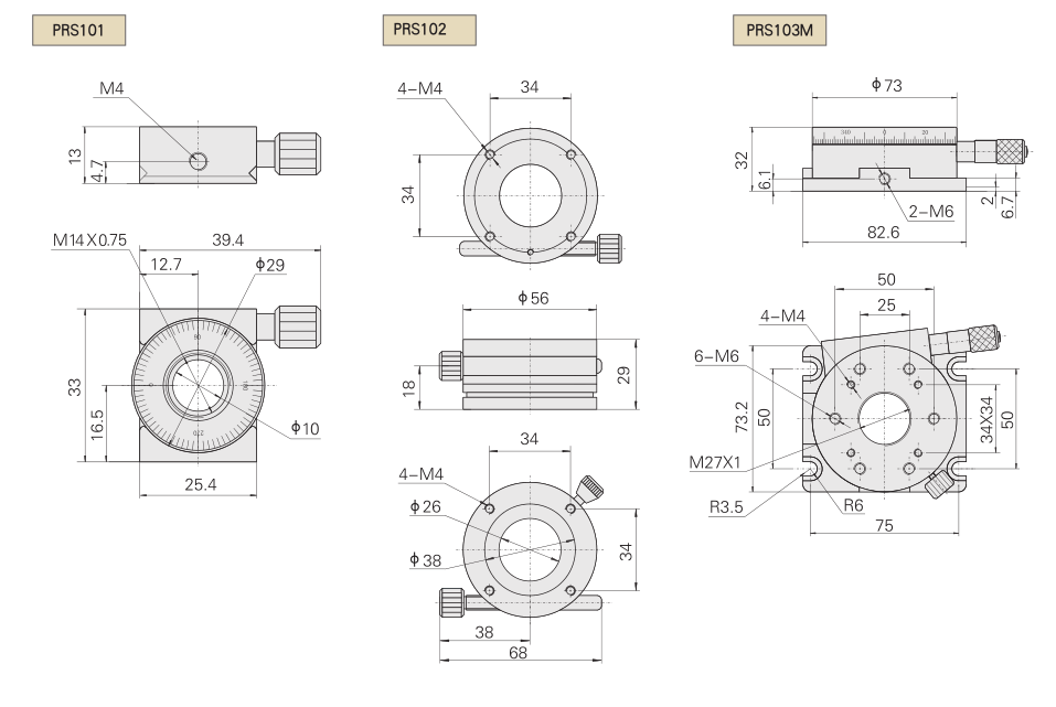
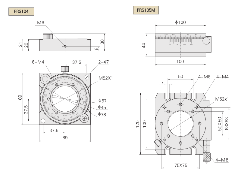
- 產品參數
|
型號 |
PRS101 |
PRS102 |
PRS103M |
PRS104 |
PRS105M |
|
臺面直徑(mm) |
φ29 |
φ56 |
φ73 |
φ85 |
φ100 |
|
驅動方式 |
蝸輪副 |
細牙螺桿 |
微分頭 |
摩擦輪 |
微分頭 |
|
讀數方式 |
直讀 |
游標讀數 |
游標讀數 |
直讀 |
游標讀數 |
|
分辨率 |
0.07° |
0.0035 mm |
0.003° |
1° |
0.002 ° |
|
粗調范圍 |
- |
360° |
360° |
- |
360° |
|
精調范圍 |
360o |
±3° |
±5° |
360° |
±5° |
|
最小刻度 |
5° |
2° |
1° |
2° |
1° |
|
最小讀數 |
- |
0.2° |
5′ |
1° |
2′ |
|
******負載(kg) |
2 |
2 |
5 |
6 |
12 |
|
自重(kg) |
0.025 |
0.15 |
0.4 |
0.3 |
1.25 |














